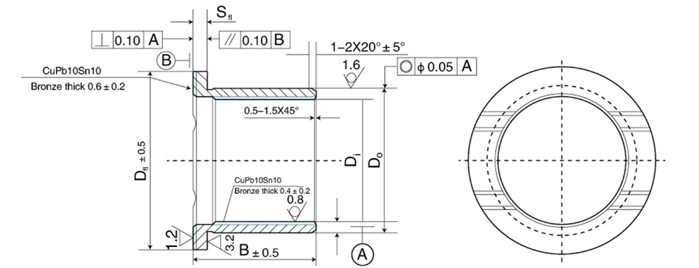
| D f1 ±0,5 | S 3 ±0,05 | D o | D1 | S f1 | B ±05 | ||
| 44 | 3.5 | 36 | -0,15 -0,10 | 30 | 3 | -0,15 -0,10 | 40 |
| 45 | 4 | -0,03 -0,08 | 30 | ||||
| 60 | 3.5 | 41 | -0,13 -0,08 | 35 | -0,09 -0,15 | 42 | |
| 52 | 4 | 0 -0,05 | 35 | ||||
| 54 | 3.5 | 42 | -0,10 -0,05 | 3.5 | -0,02 -0,07 | 30 | |
| 60 | 4.52 | 44 | -0,14 -0,09 | 40 | 2 | -0,03 -0,08 | 39.5 |
| 53 | 4.5 | 40 | |||||
| 60 | 4 | 39.5 | |||||
| 66 | 4 | 45 | 2.4 | 40 | |||
| 60 | 4.5 | 46 | 8 | 3 | 39.5 | ||
| 61 | 4 | 0 -0,05 | 40 | ||||
| 62 | 4 | 47 | -0,13 -0,07 | 3.5 | -0,08 -0,13 | 49 | |
| 70 | 4.5 | 54 | -0,19 -0,14 | 50 | 2 | -0,03 -0,08 | 53 |
| 68 | 4.52 | 54.9 | -0,045 -0,005 | 48 | 3.5 | -0,045 -0,095 | 41.3 |
| 70 | 3.5 | 56 | -0,16 -0,11 | 50 | 3 | -0,09 -0,14 | 48 |
| 76 | 3.5 | 57 | -0,10 -0,05 | 3.5 | 0.01 -0,04 | 54 | |
| 70.5 | 8 | 58 | -0,14 -0,09 | 4 | -0,11 -0,16 | 46 | |
| 92 | 4.52 | 60.6 | -0,03 -0,02 | 54.4 | 3.1 | 0.02 -0,03 | 59 |
| 87 | 4.5 | 67 | -0,15 -0,10 | 60 | 3.5 | -0,06 -0,11 | 60 |
| 77 | 4.5 | -0,08 -0,13 | 65 | ||||
| 88 | 8 | 68 | 4 | -0,075 -0,125 | 58 | ||
| D f1 ±0,5 | S 3 ±0,05 | D o | D 1 | S f1 | B ±05 | ||
| 88 | 4.5 | 68 | 0.15 0.10 | 60 | 4 | -0,07 -0,12 | 60 |
| 87 | 4.5 | 69 | 0.19 0.14 | 65 | 2 | -0,03 -0,08 | 64.5 |
| 103 | 4.52 | 70.7 | 0.09 -0,04 | 63.7 | 3.5 | 0 -0,05 | 65 |
| 103 | 4.52 | 63.3 | 3.7 | 0.01 -0,04 | 73 | ||
| 86.4 | 4.5 | 72 | 0.15 0.09 | 65 | 3.5 | -0,08 -0,13 | 64.5 |
| 95 | 4.52 | 0.27 0.21 | -0,045 -0,095 | 71.5 | |||
| 95 | 3.5 | 0.09 0.03 | -0,015 -0,065 | 64 | |||
| 108 | 3.5 | -0,03 -0,08 | 75 | ||||
| 87 | 4.5 | 0.11 0.06 | 0.01 -0,04 | 53 | |||
| 95 | 4.52 | 0.27 0.21 | -0,045 -0,095 | 67.5 | |||
| 99 | 4.5 | 74 | 0.19 0.14 | 70 | 2 | -0,03 | 74 |
| 112 | 4.6 | 77 | 0.27 0.21 | 3.5 | -0,08 | 89.5 | |
| 95 | 4.5 | 0.14 0.09 | -0,04 -0,10 | 72 | |||
| 112 | 4.52 | 0.27 0.21 | -0,005 -0,055 | 89.7 | |||
| 93 | 6 | 78 | 0.15 0.09 | 4 | -0,09 -0,14 | 71 | |
| 93 | 8 | 80 | 0.16 0.10 | 5 | -0,075 -0,125 | 70 | |
| 107 | 4.5 | 83 | 75 | 4 | -0,07 -0,13 | 74 | |
| 97 | 10 | 85 | 0.17 0.12 | 5 | -0,10 -0,16 | 79.5 | |
| 97 | 5 | 0.155 0.095 | 70 | ||||
| 120 | 3.8 | 92.6 | 0.16 0.09 | 85 | 3.8 | 0.06 0 | 93 |
| 120 | 6 | 93 | 4 | -0,11 -0,17 | 94 | ||
Ukuran yang disebutkan di atas hanya untuk referensi, HZ dapat memproduksi suku cadang sesuai dengan gambar pelanggan.

Kami akan membalas Anda dalam waktu 12 jam pada hari kerja.
Huazhou mengkhususkan diri dalam penelitian dan pengembangan produk bantalan pelumas mandiri, produksi, penjualan, dan layanan sebagai salah satu perusahaan besar yang komprehensif.
Huazhou dilengkapi dengan peralatan dan personel Litbang kelas atas, dan memiliki lebih dari 200 set peralatan dengan berbagai ukuran, termasuk mesin penggulung, mesin pelubang, mesin chamfering otomatis, mesin penggulung otomatis, jalur sintering bahan baku, dll. Huazhou juga dilengkapi dengan ribuan set alat gerinda, dan efisiensi produksi produk-produknya telah mencapai ketinggian baru. Sampel diproduksi dalam 3 hari, dengan keluaran harian 500.000 keping dan keluaran tahunan ratusan juta keping.
Pengenalan lebih dari 260 peralatan khusus, dilengkapi dengan puluhan ribu cetakan, lebih dari 150 profesional, dan 30 jalur produksi otomatis.
Penjualan produk kami di berbagai provinsi di China, dan banyak digunakan di berbagai industri permesinan, Volkswagen, BYD, dll., dan dengan standar internasional, ekspor ke Rusia, Malaysia, Tasania, Irak, Rumania, dan 16 negara lainnya.
